Àüü
ANSI TEE (STAINLESS)
ANSI ELBOW (STAINLESS)
ANSI RATERAL
ANSI REDUCER (STEEL)
ANSI CAP (STEEL)
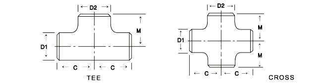
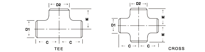
ANSI TEE (STEEL)
ANSI ELBOW (STEEL)
Ȳµ¿ CM ¿¤º¸
Ȳµ¿ CF ¿¤º¸
Ȳµ¿ CF TEE
Ȳµ¿ ¼Ó TEE
Ȳµ¿ ¼Ó ¿¤º¸
Ȳµ¿ SOCKET, S. SOCKET
Ȳµ¿ ¸µÁ÷ ,¸µ À¯´Ï¿Â,¸µ ¿¤º¸
PB ¼öÀü ¿¤º¸
PB ¼öÀü ¿¤º¸(2PµÞ)
PB ¼öÀü ¿¤º¸(2P¾Õ)
PB Àå¼öÀü ¿¤º¸(1P)
PB Àå¼öÀü ¿¤º¸(2PµÞ)
PB Àå¼öÀü ¿¤º¸(2P¾Õ)
PB ¼öÀü TEE
PB ¼öÀü TEE 2P¾Õ
PB M ¼öÀü TEE
PB Àå ¼öÀü TEE 2P¾Õ
1
2
3
4
5
6
Á¦¸ñ
³»¿ë
ÀÛ¼ºÀÚ
~