|
|
|
|
|
 |
|
ǰ ¸ñ
|
4M ¹°¿ë ¹öÅÍÇöóÀÌ ¹ëºê GEAR
|
|
Ä«Å×°í¸®
|
¹öÅÍÇöóÀÌ
|
 |
|
| Flange Rating |
|
ANSI CL. 150 PN 10 / 16 / 20 |
| Nominal Diameter |
|
DN40(1.5") to DN600(24") |
| Temperature Range |
|
-20¡ÆC (-4 F) to 120¡É (250¡ÆF) |
| Working Pressure |
|
Full pressure rating |
| |
| |
 |
|
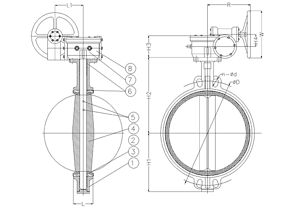
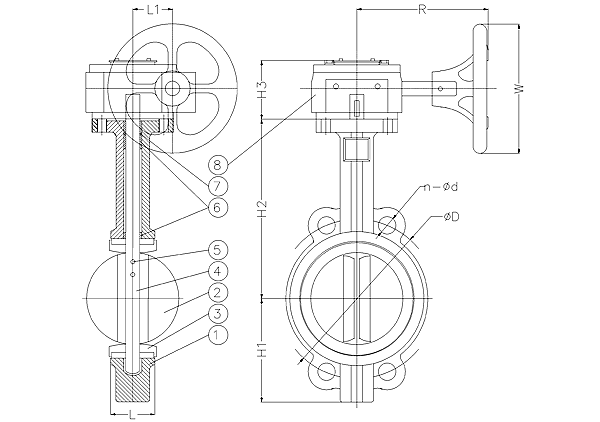
| NO. |
 |
PART NAME |
 |
QUANTITY |
 |
MATERIAL |
 |
REMARK | |
|
| 1 |
Body |
1 |
FC200(10K) FCD450(16/20K) |
|
| 2 |
Disc |
1 |
SCS13 |
|
| 3 |
Seat |
1 |
EPDM/NBR |
|
| 4 |
Stem |
1 |
SUS304/SCS410 |
|
| 5 |
Disc Pin |
1~2 |
SUS |
|
| 6 |
Bush |
1 Set |
PP |
|
| 7 |
O-Ring |
1 Set |
NBR |
|
| 8 |
Gear Box |
1 Set |
FC200 | | | |
|
 |
|
|
|
|
|
|
 |