|
|
|
|
|
 |
|
ǰ ¸ñ
|
ÁÖ° 20K °ÔÀÌÆ®
|
|
Ä«Å×°í¸®
|
ÁÖ°
|
|
|
|
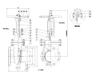
Part Name |
Materials |
|
BODY |
SCPH2 |
|
BONNET |
SCPH2 |
|
YOKE |
SCPH2 |
|
STEM |
13% Cr Stainless |
|
Disk |
SSC 2 |
|
SCPH2+13 Cr.Welded |
|
Seat Ring |
SF45+13% Cr.stainless |
|
Gland Ring |
13% Cr. stainless |
|
GLAND Packing |
Graphite mould |
|
GLAND Flange |
SF45 |
|
HAND Wheel |
Ductile iron |
|
Gasket |
Graphite sheet |
|
Bonnet Bolt/Nut |
SNB7 / SM45C |
|
Gland Bolt/Nut |
SM25C / SS400 |
|
Bonnet Bush |
13% Cr. stainless | | |
|
|
|
Size |
2 |
2 1/2 |
3 |
4 |
5 |
6 |
8 |
10 |
12 |
14 |
16 |
18 |
20 |
24 |
|
50 |
65 |
80 |
100 |
125 |
150 |
200 |
250 |
300 |
350 |
400 |
450 |
500 |
600 |
|
L1 |
216 |
241 |
283 |
305 |
381 |
403 |
419 |
457 |
502 |
762 |
838 |
914 |
991 |
1143 |
|
L2 |
216 |
241 |
283 |
305 |
381 |
403 |
419 |
457 |
502 |
762 |
838 |
914 |
991 |
1143 |
|
H |
418 |
465 |
505 |
605 |
700 |
830 |
1070 |
1300 |
1445 |
1780 |
1960 |
2145 |
2505 |
2790 |
|
D |
224 |
224 |
250 |
300 |
300 |
355 |
400 |
450 |
500 |
600 |
600 |
600 |
600 |
600 |
| Face to Face |
KS B 2306 |
Bolted bonnet |
| Flange Dimension |
KS B 1511 |
Outside screw & yoke |
| Basic Design |
KS B 2361 |
Rising stem |
| Test |
KS B 2304-2361 |
Flexible disk |
|
 |
|
|
|
|
|
|
 |